Windows Server 2012 R2 Hyper-V brings us a new storage feature called Storage QoS. You can optionally turn on quality of service management on selected virtual hard disks. You then have two settings, both of which default to 0 (unmanaged):
- Minimum: Unlike with networking QoS, this is the one you are least likely to use in WS2012 R2. This is not a minimum guarantee, like you find with networking. Instead, this setting is used more as an alerting system, in case a selected virtual hard disk cannot get enough IOPS. You enter the number of IOPS required.
- Maximum: Here you can specify the maximum number of IOPS that a virtual hard disk can use from the physical storage. This is the setting you are most likely to use in Storage QoS in WS2012 R2, because it allows you to limit overly aggressive VM activity on your physical storage.
This is a feature of the host, so the guest OS is irrelevant. The setting is there for VHD (which you should have stopped deploying) and VHDX (which you should be deploying).
What Storage QoS Looks Like
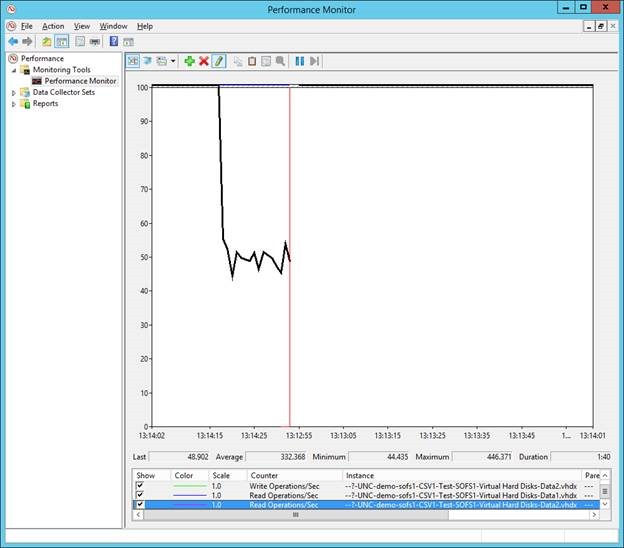
I’ve set up a test lab to demonstrate this. A VM has 2 additional 10 GB fixed (for fair comparison) virtual hard disks in the same folder on the host. I have formatted the drives as P and Q in the guest OS, and created empty files in each volume called testfile.dat. I then downloaded and installed SQLIO into the guest OS of the VM. This tool will let me stress/benchmark storage. I started PerfMon on the host, and added the Read Operations/Sec metric from Hyper-V Virtual Storage Device for the 2 virtual hard disks in question.
I opened two command prompt windows and ran:
- sqlio.exe -s1000 -t10 -o16 -b8 -frandom p:testfile.dat
- sqlio.exe -s1000 -t10 -o16 -b8 -frandom q:testfile.dat
That gives me 1000 seconds of read activity from the P drive (first data virtual hard disk) and the Q drive (the second data virtual hard disk). Immediately I saw that both virtual hard disk files had over 300 IOPS of read activity.
I then configured the second virtual hard disk (containing Q:) to be restricted to 50 IOPS.
There was a response in PerfMon before the settings screen could refresh after me clicking OK. The read activity on the virtual hard disk dropped to around 50 (highlighted in black), usually under and sometimes creeping just over 50 (never for long before it was clawed back down by QoS).
The non-restricted virtual hard disk immediately benefited immediately from the available bandwidth, seeing it’s read IOPS increase (highlighted in black) remains on the ceiling but the metrics rise, now getting up to over 560 IOPS.
Usage of Storage QoS
I think this is going to be a weird woolly area. The only best practice I know of is that you should know what you are doing first. Few people understand (A) what IOPS is, and (B) how many IOPS their applications need. This is why Microsoft added the Hyper-V metrics for measuring read and write operations per second of a virtual hard disk (see above). This gives you the ability to gather information (I don’t know if a System Center Operations Manager management pack has been updated) and determine regular usage patterns.
Once you know what usage is expected then you could set limits to constrain that virtual hard disk from misbehaving.
I personally think that Storage QoS will be a reactionary measure for out-of-control virtual machines in traditional virtualization deployments and most private clouds. However, those who are adopting the hands-off, self-service model of a true cloud (such as public cloud) may decide to limit every virtual hard disk by default. Who knows!
Anyway, the feature is there, and be sure that you know what you’re doing if you decide to use it.
Hm, I think this could be beneficial to service providers. Same as you can limit network bandwidth, you can limit disk IO in this case. I certainly see an use for that – we’ve had no means of limiting demanding VMs. It’s a shame, you can’t limit MB/s too, since those two directly relate to each other via block size… something like: I want this VHD to consume no more than 50 IOPS and/or 20MB/s.
Hello My friend, i think i reached you atlast, i am in very big trouble with my new Dell R820 server with Hyper-v 2012 installed on it. I am facing high latency
issues with all the vm’s as well with the host machine, for few hours server works good and after that i am facing the latency issue again and at the time of latency,
i am restarting the server and problem will disappear, and again it come back after some time. I have raised ticket with Dell and Microsoft for the same and both of
them could not solve my issue. We are using the server for virtuliazation and the hardware configuration is 64 GB RAM/xeon processor quad core 2 sockets total 32
threads/1 x 3 SAS 6 gb 7k RPM. Kindly suggest me if is this due to the HDD issue.
See https://aidanfinn2.wpcomstaging.com/?p=15638
Dell Team have updated all the firmwares and drivers still we are facing the same problem,
And have you installed all of the recommended updates for Hyper-V? And I DO NOT mean Windows Updates.
Yes, even i have raised a ticket to microsoft and they have installed all the recommended updated related to Hyper v 2012 Gui edition.
Have you installed the (synthetic) network adapter, not the legacy NIC? Have you installed the latest integration components in the VM? And have you tried disabling VMQ on the virtual switch NIC(s)?
Yes we have installed Synthetic drivers and also installed Integration services in all the Vm’s
Yes we have installed Synthetic drivers and also installed Integration services in all the Vm’s and also disabled the VMQ on the Host Network Adapter and also on the Vm’s
Then you need to push Dell & Microsoft.
Not sure this is correct.
Hyper-V IOPS are described by Microsoft as:
“Maximum and minimum values are specified in terms of normalized IOPS where every 8 K of data is counted as an I/O.”
You need to look at Write Bytes/Sec in Perfmon and divide by 8k to compare.
Great article otherwise and only my dramatically different figures highlighted it.